COLUMN BASE PLATE DESIGN CALCULATOR

Design according to Eurocode 3
Back to Home

COLUMN BASE PLATE DESIGN CALCULATOR

INPUT DATA

Column Properties (H-section)

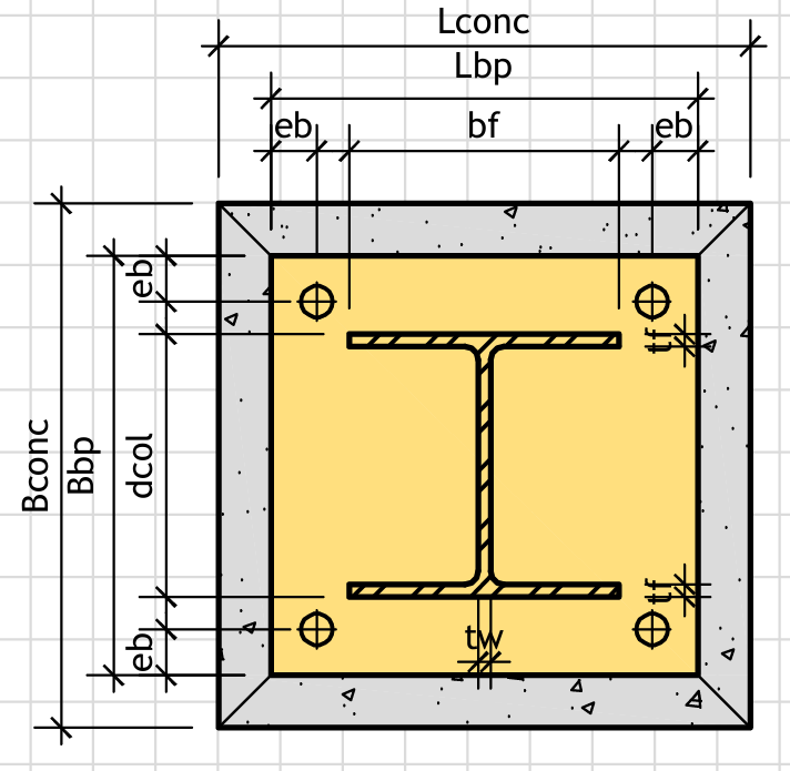
dcol = mm   Column depth

bf = mm   Column flange width

tf = mm   Column flange thickness

tw = mm   Column web thickness

Icol = mm⁴   Column moment of Inertia

Figure 1: Geometry

Geometry Diagram

Base Plate Dimensions

Base Plate Properties

Lbp = mm   Base plate length (in the direction of bending)

Bbp = mm   Base plate width

tbp = mm   Assumed base plate thickness

fyp = MPa   Base plate yield strength (e.g., S355 steel)

Concrete Pedestal/Foundation Properties

Lconc = mm   Concrete foundation length

Bconc = mm   Concrete foundation width

fck = MPa   Concrete compressive strength

Loads (factored)

P = kN   Axial compression force

V = kN   Shear force

M = kN·m   Bending moment

Anchor Bolt Properties (Assuming 4 bolts)

db = mm   Bolt diameter

fub = MPa   Bolt ultimate strength (e.g., Grade 8.8)

As = mm²   Tensile stress area (e.g., M24 bolt)

nbolts =   Total number of bolts

eb = mm   Edge distance for bolts

CONCRETE BEARING STRENGTH

fc,bearing,design = 0.6·fck = 18.00 MPa   Design concrete bearing strength

A1 = Lbp·Bbp = 180000 mm²   Base plate area

A2 = Lconc·Bconc = 360000 mm²   Concrete foundation area

Aratio = √(A2/A1) = 1.41   Area ratio

fc,bearing,allowable = min(fc,bearing,design·Aratio; 1.7·fck) = 25.44 MPa   Allowable bearing stress

ECCENTRICITY OF LOADING

ecc = M/P = 83.33 mm   Eccentricity of the axial load

Case: Large Eccentricity (Partial Compression & Tension)

BEARING STRESS AND PLATE BENDING (LARGE ECCENTRICITY)

This case is more complex and requires iterative methods or simplified approximations

The simplified method below assumes a triangular pressure distribution and calculates tension in the bolts.

ex = Lbp/2 − ecc = 141.67 mm   Distance to resultant compression

pmax,comp = P/(Bbp·(3·ex)) = 2.82 MPa   Maximum bearing pressure

Bearing Check: pmax,compfc,bearing,allowable = 1 [1 = Ok; 0 = Not Ok]

Tbolt = P·(Lbp/2 − ex)/(Lbp/2 − eb) = 424.66 kN   Tension in anchor bolts

Bolt Tension Check: Tbolt ≤ 0.9·fub·As = 1 [1 = Ok; 0 = Not Ok]

tplate,req,tension = √(6·Tbolt·(Lbp/2 − eb)/(0.9·fyp·Bbp)) = 25.30 mm   Required plate thickness for tension

Plate Thickness Check: tbptplate,req,tension = 1 [1 = Ok; 0 = Not Ok]

SHEAR TRANSFER

μ =   Coefficient of friction for steel on grout

Vfriction = μ·P = 240.00 kN   Shear resistance from friction

Vbolt = |VVfriction| = 0.00 kN   Shear to be resisted by bolts

Vbolt,cap = nbolts·0.9·0.6·As·fub/1000 = 611.81 kN   Bolt shear capacity

Bolt Shear Check: VboltVbolt,cap = 1 [1 = Ok; 0 = Not Ok]

DESIGN SUMMARY

Column Section: H-Section

Base Plate Check

Base Plate Thickness = 50 mm

Required Plate Thickness = 25.30 mm

Plate Thickness Check: 1 [1 = Ok; 0 = Not Ok]

Concrete Bearing Check

Max Bearing Pressure = 2.82 MPa

Allowable Bearing Pressure = 25.44 MPa

Bearing Check: 1 [1 = Ok; 0 = Not Ok]

Shear Transfer Check

Shear Transferred by Friction = 240.00 kN

Remaining Shear for Bolts = 0.00 kN

Bolt Shear Check: 1 [1 = Ok; 0 = Not Ok]

RESULTS

ALL CHECKS PASSED - DESIGN IS ADEQUATE